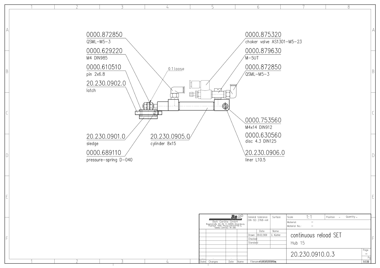
0000.610510
-
+
0000.629220
-
+
0000.689110
-
+
0000.753560
-
+
0000.872850
-
+
0000.875320
-
+
0000.879630
-
+
20.230.0901.0
-
+
20.230.0902.0
-
+
20.230.0905.0
-
+
20.230.0906.0
-
+
0000.630560
-
+
Drukuj